Please kindly contact us for full data sheet of the display.
DESCRIPTION
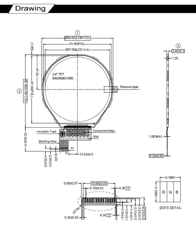
Hicenda The HM034XDZP02 is a 3.4-inch circular TFT LCD module developed by Tianma, designed with an 800(RGB)×800 resolution, MIPI interface, and IPS viewing technology. Engineered using a-Si (amorphous silicon) technology, this display delivers vibrant, full-color imagery with a pixel pitch of 0.1095×0.1095 mm, achieving a precise and symmetrical layout within a round active area. With its compact dimensions, integrated ILI9881C driver IC, and wide operating temperature range, it is well-suited for wearable devices, medical instrumentation, and next-generation HMI (Human-Machine Interface) designs.
GENERAL SPECIFICATION
| Parameter | Specification |
|---|---|
| Model Number | HM034XDZP02 |
| Display Size | 3.4 inch |
| Resolution | 800(RGB) × 800 |
| Color Depth | 16.7M colors |
| Technology Type | a-Si (Amorphous Silicon) |
| Pixel Configuration | RGB Vertical Stripe |
| Display Mode | SFT (Super Fine TFT) |
| Viewing Direction | IPS (All angles) |
| Surface Treatment | Hard Coating (HC) |
| Connection Type | ZIF |
| LED Backlight | 8 White LEDs |
| Outline Dimension | 96.6(W) × 99.0(H) × 2.45(D) mm |
| Active Area | 87.6(W) × 87.6(H) mm |
| Pixel Pitch | 0.1095 × 0.1095 mm |
| Driver IC | ILI9881C |
| Interface Type | MIPI (3-Lane) |
| Operating Temperature | –20°C to +70°C |
| Storage Temperature | –30°C to +80°C |
| Total Pins | 39 |
| Display Format | Full Color |
DRAWING

INTERFACE PIN FUNCTION

Contact: David
Phone: +8618665976986
Tel: +8675521563288
Email: [email protected]
Add: 305 Room A Buiding Huafeng International Robot Industrial Park Xixiang Bao'an